歡迎來到江蘇氫港新能源科技有限公司網站!
0512-585889661 燃料電池備用電源系統設計
燃料電池存在的不足,使得其作為獨立的備用電源需要注意以下問題:工作電源掉電實時監測及備用電源不間斷切換;燃料電池啟動輔助電源設計及管理;燃料電池備用電源系統狀態監測;燃料電池備用電源功率補償控制。
1.2 工作原理
燃料電池備用電源系統在啟動后實時監測工作電源的供電狀態及備用電源系統本身的狀態,并通過人機接口與遠程監控中心進行狀態參數傳輸。系統控制單元根據工作電源的供電狀態、蓄電池的SOC、備用系統狀態等控制備用電源系統中燃料電池發電系統的啟動與停止、蓄電池的充放電、備用電源的投入與切除。
在備用電源系統安裝完成后,閉合開關K1為負載設備供電,同時燃料電池備用電源控制系統自動啟動,再閉合開關K2接入蓄電池。備用電源系統啟動后首先對系統進行初始化設置,然后進行工作電源供電狀態監測。當系統監測到工作電源供電正常時,備用電源進入待機工作模式:燃料電池發電系統停止發電,斷開DK切除蓄電池供電,同時根據蓄電池的SOC對蓄電池進行充電管理;當系統監測到工作電源供電中斷時,系統控制器立即閉合開關DK,切換到蓄電池供電工作模式:蓄電池一方面為負載供電,另一方面為系統控制單元啟動燃料電池發電系統發電提供啟動電源。當備用電源工作在蓄電池供電模式時,系統控制器根據工作電源是否恢復供電、燃料電池輸出是否穩定、蓄電池SOC是否達到下限進行狀態切換。在燃料電池輸出不穩定、工作電源恢復供電時,自動切除備用電源供電,停止燃料電池發電系統發電,同時備用電源進入待機工作模式,負載轉由工作電源供電;當系統監測到燃料電池輸出穩定、工作電源未恢復供電時,系統轉入燃料電池供電模式:系統控制單元啟動DC/DC變換器,同時切換到燃料電池供電工作模式,負載設備轉為由燃料電池供電;當備用電源工作在燃料電池供電模式時,系統控制單元監測到工作電源供電恢復后,備用電源轉入待機工作模式,同時停止燃料電池發電,負載轉由工作電源供電。備用電源各工作模式切換示意圖如圖2所示。

圖2 工作模式切換示意圖
1.3.1 蓄電池充電控制策略
備用電源工作在待機模式時,系統控制器在監測系統狀態的同時啟動蓄電池充電。蓄電池充電管理單元通過檢測蓄電池當前的SOC,并根據設置的SOC上限值SOCh及下限值SOCl控制對蓄電池的充放電。在SOC達到SOCh時,停止對蓄電池充電;當SOC低于SOCh時,開始對蓄電池進行充電。其充電控制策略為:

備用電源工作在燃料電池供電模式時,若燃料電池輸出功率PFC大于負載需求功率PLoad,系統控制單元將啟動蓄電池充電管理單元對蓄電池進行充電,其充電控制策略與備用電源工作在待機模式時的充電控制策略相同。
1.3.3 電壓閾值補償控制策略
備用電源處于燃料電池供電模式時,系統控制單元根據燃料電池輸出功率PFC、負載需求功率PLoad、蓄電池SOC等補償負載功率突變,其補償思想為:

如何檢測備用電源中燃料電池輸出功率小于負載需求功率是功率補償控制的關鍵。由于燃料電池備用電源直流輸出額定電壓為Uo,其允許連接的直流負載額定電壓即為Uo,當監測到輸出直流母線電壓低于設計的額定電壓Uo時,說明負載需求功率大于燃料電池輸出功率,導致直流母線電壓下降。因此可以設置一個直流母線電壓閾值下限UTL及上限UTH。當直流輸出電壓Uo小于閾值UTL時,說明負載需求功率超過燃料電池輸出功率,此時需要切入蓄電池進行功率補償,同時控制燃料電池發電系統增大功率輸出;當直流母線電壓Uo大于等于閾值UTH時,說明燃料電池輸出功率已達到負載需求功率,此時可切除蓄電池的功率補償,同時根據蓄電池的SOC對蓄電池進行充電。電壓閾值補償控制策略為:

2.1 工作電源斷電檢測
工作電源中斷與恢復的實時檢測將影響到備用電源的不間斷切換時間,可以選擇圖1中的點a或b進行工作電源斷電檢測。點a處為交流,需采用交流檢測技術;點b處為直流,可采用分壓比較檢測技術。
對于直流供電一般是市電經AC/DC變換器轉換成直流后給負載供電,由于AC/DC變換器輸出端有一定容量的電容,所以通過點b檢測斷電信息有一定的延時,不能準確檢測到市電斷電時刻,導致系統控制單元不能在斷電瞬間投入備用電源而使負載存在斷電的危險。經過實際試驗測試,通過點b進行斷電檢測,其延遲時間約為50ms,不能滿足備用電源不間斷切換的要求。由于點a能直接反映出市電斷電瞬間的信息而不存在延遲,故選擇在點a進行檢測,在交流斷電瞬間即可檢測到斷電信息,其檢測電路原理圖如圖4所示。

圖4 工作電源斷電檢測原理圖
交流220V首先經過整流二極管VD1—VD4整流成高壓脈動直流,然后經光耦隔離產生斷電信號。此處光耦起到電氣隔離的作用以避免對主控制器產生干擾及進行信號電平匹配。當交流有電時光耦導通,檢測信號ACST為高電平;當交流斷電時光耦截止,檢測信號ACST為低電平。經實際測試,此檢測電路的檢測時間約為10ms。
2.3 CAN通信接口
CAN總線是工業控制局域網的標準總線,屬于現場總線的范疇,它是一種有效支持分布式控制或實時控制的串行通信總線,具有通信實時性強、速率高、傳輸距離遠等優點。因此系統控制單元采用CAN通信接口與燃料電池發電系統及遠端監控中心進行參數、命令傳輸,能保證通信的實時、穩定。
由于C8051F040內部集成的CAN控制器是一個協議控制器,它并沒有提供物理層的收發功能,要實現與CAN總線的通信接口,需要增加外部CAN收發控制器,實現CAN通信數據幀的收發,其接口原理圖如圖6所示。

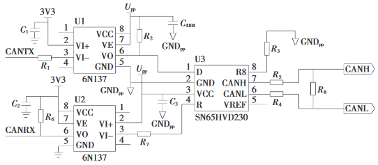
圖6 CAN通信接口電路
CAN總線信號CANTX和CANRX經過高速光耦6N137進行電氣隔離,再經CAN總線收發器接口芯片SN65HVD230驅動后接到CAN總線上。光耦6N137實現CAN節點與CAN總線間的電氣隔離,提高節點可靠性,并保護CAN總線上的其他節點。
3 系統控制單元工作流程
燃料電池備用電源系統控制單元是系統的控制核心,主要負責系統參數的采集、蓄電池充放電控制、燃料電池發電控制、供電電源不間斷切換及負載功率補償等。備用電源系統具有3種工作模式:待機模式、蓄電池供電模式、燃料電池供電模式,不同模式下系統控制單元的任務不同,其控制單元工作流程如圖7所示。

圖7 工作流程圖
燃料電池備用電源系統啟動后,根據工作電源的供電情況進入待機模式或蓄電池供電模式。若備用電源在工作電源供電正常時啟動,則啟動后備用電源進入待機模式,此時系統控制單元只負責監測備用電源系統的待機狀態參數、控制蓄電池充電及備用電源異常報警。當工作電源突然斷電時,控制單元立即檢測到斷電信號,先停止對蓄電池的充電,然后閉合開關DK,由蓄電池為負載提供電源,切換到蓄電池供電模式,同時啟動燃料電池發電。在燃料電池輸出穩定之前,備用電源一直工作在蓄電池供電模式。當系統控制單元檢測到燃料電池輸出穩定后,控制單元啟動DC/DC變換器,轉為燃料電池給負載供電。如果此時燃料電池輸出功率PFC大于負載需求功率PLoad即Uo>UTH時,則控制單元斷開開關DK,切除蓄電池供電,并根據蓄電池當前SOC決定是否啟動對蓄電池充電;如果負載突然增加或者燃料電池輸出功率PFC小于負載需求功率PLoad即Uo<UTL時,則控制單元閉合開關DK切入蓄電池,由蓄電池、燃料電池共同為負載提供功率,實現燃料電池輸出功率不足時,由蓄電池進行動態功率補償,保障負載設備的穩定、可靠運行。
4 測試與分析
根據所提燃料電池備用電源系統結構及系統控制策略,研制了一臺3kW燃料電池備用電源樣機。備用電源選用的燃料電池輸出電壓范圍為30~40V,凈輸出功率為3.5kW,蓄電池容量為60A·h。設計的備用電源輸出電壓為直流48V,功率為3kW。
4.2 工作模式切換測試
利用10kW電子負載代替實際直流負載設備,按照圖1所示的系統結構搭建試驗測試平臺,并將電子負載功率調節到3kW,對研制的燃料電池備用電源系統進行測試。在市電正常的情況下突然斷開市電、在燃料電池供電模式下突然恢復市電供電,用示波器觀測直流母線電壓曲線變化情況見圖9。

圖9 模式切換時直流母線電壓曲線圖
圖9(a)是在燃料電池處于待機模式時,市電斷電瞬間系統控制自動切換到蓄電池供電模式的電壓曲線,圖中蓄電池供電電壓只有44.4V,這是由多次試驗后蓄電池容量降低導致的,示波器捕捉的切換時間大約為20ms。從圖中可以看到在負載功率為3kW的整個切換過程中,負載供電沒有中斷,只是發生了一定電壓跌落,導致電壓跌落的原因是蓄電池在多次試驗后容量不足。圖9(b)是在燃料電池輸出穩定后切換到燃料電池供電時的電壓波形圖。市電恢復供電時切換波形圖如圖9(c)所示。在燃料電池供電正常的情況下突然恢復交流供電,當市電突然恢復正常供電后,系統控制單元立即檢測到交流供電恢復信號ACST為高,并按照設計的控制策略先發送停止燃料電池發電命令(圖中①處波形),同時切換到蓄電池供電模式。在燃料電池發電系統確認燃料電池停止發電后,系統控制單元立即切換到交流供電(圖中②處波形),并切除蓄電池供電進入待機模式。示波器捕捉的由蓄電池模式恢復交流供電的切換時間大約為40ms。
5 結論
針對目前備用電源系統存在的不足及燃料電池良好的應用前景,本文提出基于燃料電池的備用電源系統結構及其控制策略,替代傳統的蓄電池或柴油發電機備用電源,可延長備電時間、縮短切換時間、降低環境污染。隨著燃料電池技術的不斷發展,燃料電池制造成本的下降,配套設施的逐漸完善,燃料電池作為一種高效節能、環境友好的發電裝置,必將在備用電源中得到廣泛的應用。
文章來源:《》,作者
聲明:本網站基于分享的目的轉載,轉載文章的版權歸原作者或原公眾號所有,如有涉及侵權請及時告知,我們將予以核實并刪除。
掃一掃,關注微信